Jaguar Motorcars
Home
Back to Jaguar
Trip Computer Modification
Introduction
Well, I want to make my trip computer work again, even though I have a carburetted V-8 now. I did a lot of research, and talked (by email) to a lot of people who were all very helpful. Here is what I have come up with so far.
First, I take you through some of the work done by other people who have attempted this. After that,I present some background info I used. Then, I go into the calculations and theory involved. Finally, I present two suggested circuits.
Those who have little patience might want to just scroll to the bottom of this page, and see the results.
In the end, I realized a solution that should have occured to us all: Simply grab a GM ECU, MAP, and MAT sensor, and adapt it to the carburetted V-8. Easy huh?
From: Mark Chiampi's Trip Computer Modification
The schematic shown is a working test circuit that will drive the Jaguar trip computer. To make the unit really "work" the trip computer needs to have the frequency change (basically in regards to speed), and the duration must change based on how hard the engine is pulling (what kind of load). Obviously, you use more gas going up hill than down hill at the same speed.
So, another lister, allowed a fuel-metering device to create the pulses for the timing circuit. It was installed, and made a fully operational, working prototype.
The working prototype
was accurate to within 5% and the only problem experienced was the 5 volt regulator kept burning out. The solution is to try isolating the regulator with a filtering capacitor on the +12V in, or to use diode(s) if needed.
The Fuel metering device used was a fuel transducer that is placed into the fuel line at the carburetor. It looks like a little paddle-wheel that spins around and outputs electronic pulses. It takes 12V in and outputs a frequency. The unit used was a Floscan P/N 264-905-08 and it cost $95.00.
Now is the GUESS part, on my part- I expect the wire coming from the Floscan transducer was connected to pin 2 (trigger) on IC555 in place of R2. Without tinkering with one-I can't say for sure.
For the technogeeks out there-the pin outs for the IC555 are as follows:
Pin1: ground
Pin2: trigger
Pin3: output
Pin4: reset
Pin5: var (threshold reference)
Pin6: threshold
Pin7: discharge
Pin8: +5v



Total parts cost so far: under $5.00
2 ea 10K ohm potentiometers, Radio Shack# 271-1721
1 ea 0.47 mfd electrolytic capacitor (radial lead)
1 ea 0.01 mfd metalized film capacitor Radio Shack# 272-1051
1 ea 8 pin low profile socket Radio Shack# 276-1995a (pkg of 2)
1 ea experimenters PC board
one project box, and hookup wire,(which I had).
Next step Locate the Floscan P/N 264-905-08, and voltage regulator.
Original Page
From: Older Version of Mark Chiampi's Trip Computer Modification
Interfacing the Trip Computer to the V-8
This is the current schematic for Mark Chiampi's trip computer interface. Mark is working on it and has allowed me to post it for comment. Please be aware that this is not a fully functional circuit and that it is still under development and being tested.

The R1 and R2 seem to like to be similar in value. Like 1K and 1K or 100K and 100K. It's weird.
It has to do with the way the timer chip charges and discharges. C1 is the basic frequency for the osc. and R1 and R2 control pulse width and separation. The trick is to come up with the proper values (andresolution) that the Jaguar circutry can handle. If it's too high/low a resolution or frequency the Trip Computer freaks out.
I've been working by trial and error. Once we know the proper values,
then we search for a pot to shove on the engine.
Mark.
Original Page
(dead link) Mark's blow-by-blow conversion story
The Jag Conversions Page
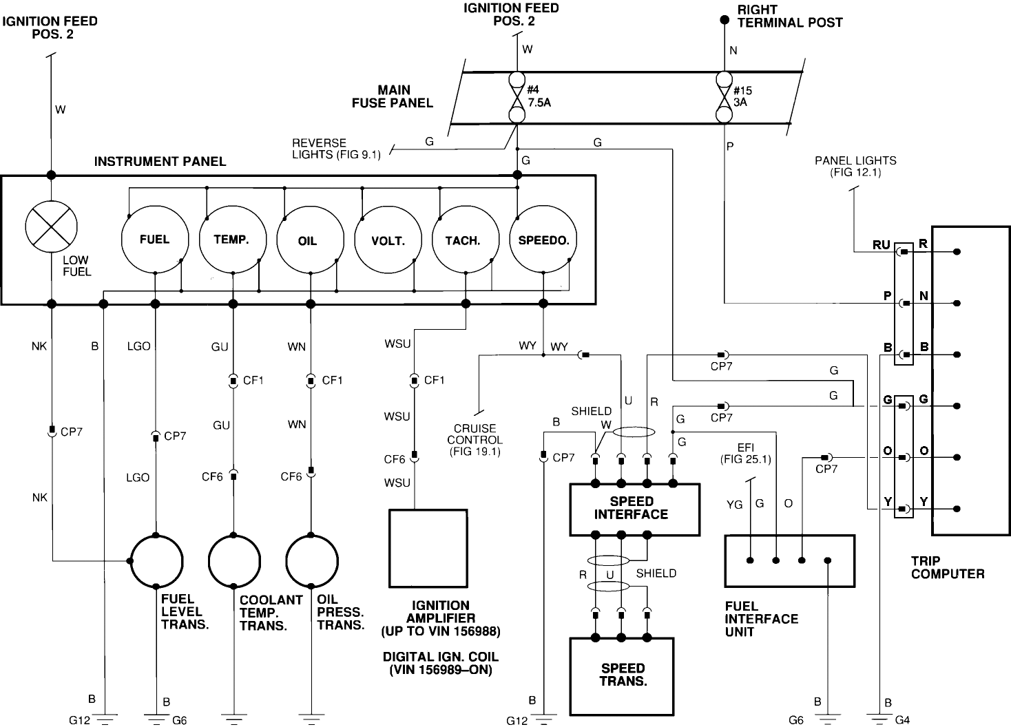
The Trip Computer Functions

Trip Computer Pin-outs
For fuel usage, the trip computer simply counts pulses fed to it by the Interface Unit, which is mounted next to the ECU in the trunk. The Interface Unit takes pulses from the ECU and converts them into a format that the trip computer can use. The ECU pulses are simply an exact copy of the pulses being sent to the injectors. The wider the ECU pulses (i.e. the more fuel being injected per pulse), the more pulses are generated by the Interface Unit.
It's a pulse-width-to-number-of-pulses converter. The rate is approximately 1 output pulse per 3.3ms of input pulse time, with a floor of 1ms subtracted off the input pulse time (i.e. you get one output pulse for a 4.3ms input pulse, and two output pulses for a 7.6ms input pulse, and so on.) The input pulses are assumed to be coming in constantly, at about one every 75ms at idle, and more frequently at higher RPMs. The output pulse rate varies smoothly with the input pulse width and rate; it does not only change at intervals like I may have implied above when giving some specific numbers.
It's safe to assume that the different Interface Units in cars with different engines simply alter this timing/pulse ratio, since the trip computers are all the same. If the trip computer is expecting a certain number of pulses per gallon, the Interface Unit has to be designed so that the width and number of injection pulses that deliver a gallon of fuel in that engine, generate that number of pulses on the Interface Unit output pin.
The following specific numbers and features were based on playing with a 1985 era trip computer. I have already seen that one older trip computer behaved slightly differently (a few more pulses needed per gallon, different behavior of the trailing zeros and decimal point, etc.)
so don't fret if you have a different era trip computer and it does not behave exactly like this. It's similar, at least.
When the trip computer receives 4800 pulses, it will add .1 US gallon to the fuel used meter. It will do this through .9 gallons, but then it only takes an additional 4060 pulses to get to 1 even gallon. This is apparently how they decided to make up the stacking error from dividing
out all these decimal numbers on an integer processor. So that's 47260 pulses per gallon.
Similarly for Liters it takes 1269 pulses per .1L but only 12493 pulses for a full Liter because of the short "make-up" count from .9 to 1. And again for Imperial Gallons, it's 5777 pulses for .1 I.G. but 56890 pulses for a full I.G. None of these numbers work out *precisely* against the official conversion rates between units. Imperial Gallons seem to be the farthest off
though we're still only talking a hundred pulses out of nearly 57,000... or about a tenth of one percent. For the other units its much closer. I guess since the trip computer only gauges amounts to the nearest tenth of a unit anyway, it just doesn't matter.
In the same fashion, the trip computer counts pulses received from the transmission speed sensor (the same signal that goes to the speedometer) to determine distance driven. Once again the exact specs on the pulses don't matter, only the number of them, though the processor can't handle pulses which are outrageously narrower and more closely spaced than expected. (It really doesn't like it if the rate of pulses hits 256 kph or 256 MPH. It will still count distance, but the average speed won't update.) Tenths of miles are racked up by 812 or 813 pulses (depending on which tenth), while a final 687 pulses brings it to an even mile, with a total of 8001 pulses.
Tenths of kilometers are racked up by 504 or 505 pulses, while a final 428 pulses brings it to an even kilometer, for a total of 4972 pulses. In the same way that the number of pulses needed depends on which tenth of a mile or kilometer, the number of pulses needed for a whole
mile or kilometer depends on which one it is; sometimes it is one pulse more or less than stated. But none of this is random, the scheme is deterministic, e.g. it always takes 812 pulses to go from 0.2 miles to 0.3 miles, while it always takes 813 pulses to go from 0.3 miles to 0.4
miles. It always takes 8001 pulses to go from 1 mile to 2 miles, while it always takes 8000 pulses to go from 2 miles to 3 miles.
The processor simply starts counting time for every second it is "on" from the ignition switch after a reset. It uses this to display total on time since last reset, and to calculate average speed since last reset. Average mileage calculations are done by dividing out distance traveled
over fuel consumed since last reset. Instantaneous mileage is calculated by dividing out some very short buffer worth of distance and fuel pulses recently received.
Miles/gallons and kilometers/liters are always simultaneously being accumulated. The front panel switch changes which one is displayed after a brief update lag. The "Imp Link" jumper on the circuit board, when connected, will cause the gallons to accumulate at the Imperial
Gallon rate instead of the US Gallon rate. This change happens instantaneously... which is not an issue since the board is manufactured one way or the other... but if someone were to add another switch to be able to switch it on the fly, it would not convert already-logged fuel
consumtion when switched. It will only start logging further fuel consumption at the new rate.
The display has 4 digits. Its normal mode of operation is to display whole units and tenths of units, with all leading and trailing zeroes suppressed, unless the value is exactly 0. So the values proceed like so: 0 .1 .2 .3 .4 .5 .6 .7 .8 .9 1 1.1 1.2 Note that the decimal point is also suppressed on whole numbers.
If you do not reset the trip computer with each fillup, it will continue to accumulate all the values to some astonishingly high levels. When you go from 999.9 units to 1000 units, it simply stops displaying the decimal point and any tenths of units. So the values proceed like this: 999.8 999.9 1000 1001 1002 with display updates happening 1/10 as often once 1000 is reached.
I have not explored the upper ends of its function (eg > 9999 units) or what happens to mileage calculations when one of the numbers exceeds 4 digits, simply because there are so many pulses involved and it takes too long to get there and see, even on the bench with a pulse generator.
My own new work begins here
Highlights:
ECU output= 5v pulse varying in width based on amount of fuel per cycle, varying in frequency based on number of cycles (rpm).
Fuel Interface output= 5v pulse of constant width, varying in frequency based on fuel consupmtion. 47260 pulses=1 US gallon.
Speed Interface output=5v(?) pulse of constant width, varying in frequency based on speed. 8001 pulses=1 US mile.
Trip Computer expects 0 to 250 hz for fuel pulse.(19*47260/60/60 assuming a max of 19 gallons/hour)
Trip Computer expects 0 to 366 hz for speed pulse. (8801*150/60/60 assuming max of 150mph)
Engine Tachometer (v8) delivers 0 to 800 hz.
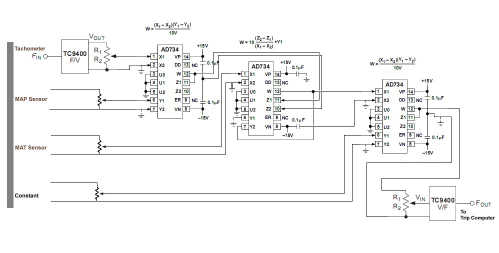
The Trip Computer Circuit and Module Locations

Trip Computer Circuit

Trip Computer Module Locations
Fuel Interface is on rear-right, # 29. Speed Interface is on rear-left, #34.
Modification Calculations
TripComputer expects 0 to 250 hz for fuel pulse
Engine Tachometer (v8) delivers 0 to 800 hz (8 pulses/cycle * 6000 cycles/min * 1/60 min/seconds)
A rough prototype can be made by converting the tach signal (12v sawtooth wave 0-900 hz) to Trip Computer input signal (5v square wave 0-250hz)
However, this will only be accurate during "no-load" conditions, such as when you are flying down the highway. It will be inaccurate during accelleration and decelleration.
To do it using a TC9400 to divide by 3, r2=5000 ohm r1=10000 ohm. Use voltage divider with zener to reduce input trigger signal from 12v to 5v.

To make a more accurate interface:
Definitions:
--------------
MAF=Mass Air Flow into the intake manifold.
MAP=Manifold Air Pressure at the intake manifold.
MFF=Mass Fuel Flow into the intake manifold.
Rsto=Stochiometric Ratio, the ratio of MFF/MAF, which is a function of the fuel chemistry.
Csg=Specific Gas Constant, a function of the composition of a gas.
WOT=Wide Open Throttle.
Tabs=Absolute Temperature, measured in Kelvin scale.
Tfar=Farenheit Temperature, measured in Farenheit scale.
Seng=Cyclical Speed of Engine, measured in rotations per time period.
Given:
--------------
Average sea-level air pressure is 101.325 kPa (mbar) or 29.921 inches of mercury (inHg).
Csg(dry air) = 287.05 (J/kg*K)
AirDensity = (AirPressure/Tabs)*(1/Csg)
Tabs=Tfar*(5/9)-32+273
Rsto=14.7
Analysis:
--------------
MAP at WOT sea level ~ 101kPa
MAP at WOT mountaintop ~ 50kPa
MAP at < WOT ~ < 101kPa
MAF ~ RPM * (AirDensity)
MAF = RPM * (MAP/Tabs)
MAF = C * Seng * (MAP/Tabs), where C is a constant that includes engine size, Csg, and other factors.
MFF = MAF/Rsto
therfore: MFF = C * Seng * (MAP/Tabs) *(1/14.7)
simplifying this by including Rsto in the constant C gives us: MFF = C * Seng * (MAP/Tabs)
This implies I need to measure engine speed, MAP, and air induction temp, then multiply these values together to return a fuel consumption number.
One way is to convert each value to a voltage then use analog comparator circuit to multiply them together.
Output voltage should be <5v, therefore, C might have to be adjusted to limit this value based on maximum inputs.
It might be possible to further simplify the forumula and circuit by assuming a Temp of approx 120F, if it injects an acceptable error.
This would also eliminate one sensor.
Results from Trial Calculations in a Spreadsheet
I ran some values through a spreadsheet to determine how important temperature is to the result. I found that trying to assume a constant value could inject a 10% error in the measurement of MPG. Threfore, unless I can assure a constant air temp (ie, through induction ram) I must measure induction air temp.
|
|
|
|
| Input and results |
|
|
Range |
| Speed of Engine (rpm) |
2000 |
|
0-5000 |
| Volume of engine (liters) |
5.0000 |
|
|
| Temp of Air (degrees Farenheit) |
150 |
|
0-200 |
| MAP (Hg-in) |
5.0000 |
|
0-30 |
| Velocity of Car (mi/hr) |
65 |
|
|
|
|
|
|
| Fuel Consumption (mi/gal) |
25.5 |
|
|
|
|
|
|
|
|
|
|
| Calculations |
|
|
Range |
| Speed of Engine (cycle/min) |
2000.0000 |
|
0-5000 |
| Volume of Engine (m3) |
0.0050 |
|
|
| Temp of Air (Kelvin) |
338.5556 |
|
255-355 |
| MAP (Pa) |
16931.8940 |
|
0-101591 |
| MAF (kg/min) =V* speed*(MAP/Temp)*(C-g) |
1.7423 |
|
|
| MFF (kg/min) |
0.1185 |
|
|
| MFF (gal/min) |
0.0425 |
|
|
| MFF (gal/hr) |
2.5490 |
|
|
|
|
|
|
| Velocity of Car (mi/hr) |
65.0000 |
|
|
| Fuel Consumption (mi/gal) |
25.5001 |
|
|
|
|
|
|
|
|
|
|
| Formulas |
|
|
|
| Mass of Gasoline (kg/m3) |
737.0000 |
|
|
| Mass of Gasoline (kg/gal) |
2.7898 |
|
|
| Sto Ratio (kg-fuel/kg-air) |
0.0680 |
|
|
| Conversion (lb/kg) |
2.2000 |
|
|
| Conversion (gal/m3) |
264.1721 |
|
|
| Conversion (pa/mm-hg) |
133.3220 |
|
|
| Conversion (mm/in) |
25.4000 |
|
|
| Specific Gas Constant-Dry Air (C-g) |
0.0035 |
|
|
|
|
|
|
|
|
|
|
|
|
|
|
|
|
|
|
|
|
|
|
Finally....... The Payoff
The Circuits!
Suggested Circuit
Alternate Circuit
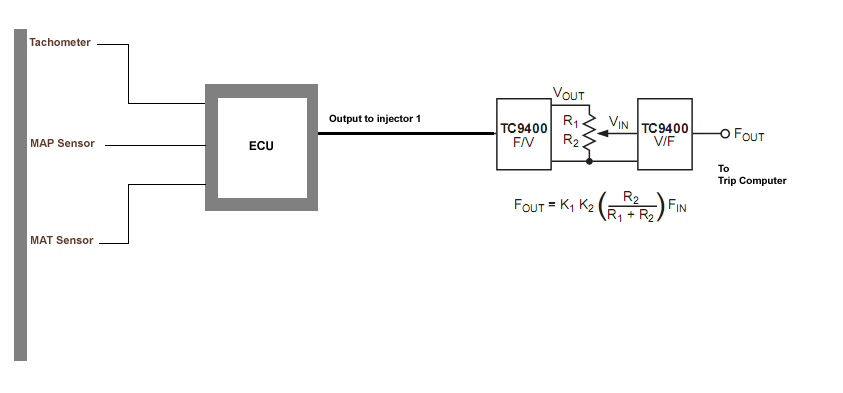
Alternately (and more simply), it should be possible to pick up a MAP, MAT, and ECU from salvage (probably a throttle body injector circuit would be best). Then connect them to simulate the sensor half of a fuel-injected engine, and simply multiply the output signal of the ECU by some constant through this circuit: